• <tt id="kkkk8"><rt id="kkkk8"></rt></tt>
    <li id="kkkk8"></li>
    <li id="kkkk8"><table id="kkkk8"></table></li>
  • <li id="kkkk8"><table id="kkkk8"></table></li>
  • <tt id="kkkk8"></tt>
  • <li id="kkkk8"></li>
  • 購買光電耦合器應用電路請撥400-880-1981

    光電耦合器應用電路

    時間:2016-09-20來源:輝鵬網絡 作者:hpn 點擊:
    內容提要: 本文將從光電耦合器組成開關電路、組成邏輯電路、組成隔離耦合電路、組成高壓穩壓電路等方面的應用來展示光電耦合器應用電路。
      

      光電耦合器是以光為媒介傳輸電信號的一種電一光一電轉換器件。光電耦合器具有體積小、使用壽命長、工作溫度范圍寬、抗干擾性能強。無觸點且輸入與輸出在電氣上完全隔離等特點,因而在各種電子設備上得到廣泛的應用。光電耦合器可用于隔離電路、負載接口及各種家用電器等電路中,下面介紹最常見的光電耦合器應用電路!鞠嚓P產品推薦:ST多模耦合器、SC單模耦合器、FC單模耦合器

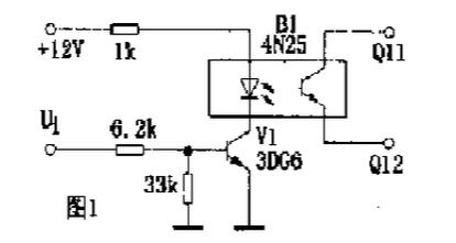
      光電耦合器應用電路一:組成開關電路

     

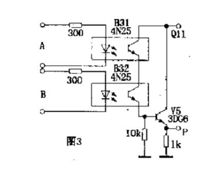
      圖1電路中,當輸入信號ui為低電平時,晶體管V1處于截止狀態,光電耦合器B1中發光二極管的電流近似為零,輸出端Q11、Q12間的電阻很大,相當于開關“斷開”;當ui為高電平時,v1導通,B1中發光二極管發光,Q11、Q12間的電阻變小,相當于開關“接通”.該電路因Ui為低電平時,開關不通,故為高電平導通狀態.同理,圖2電路中,因無信號(Ui為低電平)時,開關導通,故為低電平導通狀態.

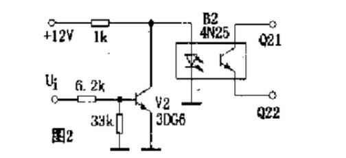
      光電耦合器應用電路二:組成邏輯電路


      圖3電路為“與門”邏輯電路。

      其邏輯表達式為P=A.B.圖中兩只光敏管串聯,只有當輸入邏輯電平A=1、B=1時,輸出P=1.同理,還可以組成“或門”、“與非門”、“或非門”等邏輯電路.

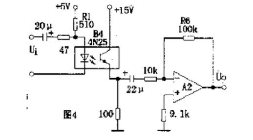
      光電耦合器應用電路三:組成隔離耦合電路


      電路如圖4所示.這是一個典型的交流耦合放大電路.適當選取發光回路限流電阻Rl,使B4的電流傳輸比為一常數,即可保證該電路的線性放大作用。

      光電耦合器應用電路四:組成高壓穩壓電路


      電略如圖5所示.驅動管需采用耐壓較高的晶體管(圖中驅動管為3DG27)。當輸出電壓增大時,V55的偏壓增加,B5中發光二極管的正向電流增大,使光敏管極間電壓減小,調整管be結偏壓降低而內阻增大,使輸出電壓降低,而保持輸出電壓的穩定。

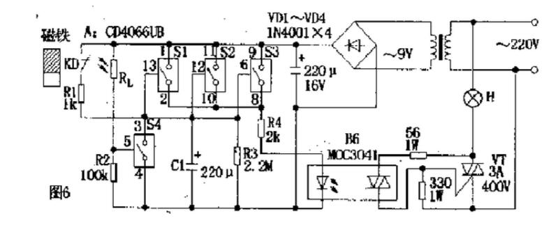
      光電耦合器應用電路五:組成門廳照明燈自動控制電路


      電路如圖6所示。A是四組模擬電子開關(S1~S4):S1,S2,S3并聯(可增加驅動功率及抗干擾能力)用于延時電路,當其接通電源后經R4,B6驅動雙向可控硅VT,VT直接控制門廳照明燈H;S4與外接光敏電阻Rl等構成環境光線檢測電路。當門關閉時,安裝在門框上的常閉型干簧管KD受到門上磁鐵作用,其觸點斷開,S1,S2,S3處于數據開狀態。晚間主人回家打開門,磁鐵遠離KD,KD觸點閉合。此時9V電源整流后經R1向C1充電,C1兩端電壓很快上升到9V,整流電壓經S1,S2,S3和R4使B6內發光管發光從而觸發雙向可控硅導通,VT亦導通,H點亮,實現自動照明控制作用。房門關閉后,磁鐵控制KD,觸點斷開,9V電源停止對C1充電,電路進入延時狀態。C1開始對R3放電,經一段時間延遲后,C1兩端電壓逐漸下降到S1,S2,S3的開啟電壓(1.5v)以下,S1,S2,S3恢復斷開狀態,導致B6截止,VT亦截止,H熄來,實現延時關燈功能。

      輝澎信息科技提供優質的光電耦合器,有需要了解光電耦合器報價的用戶,歡迎撥打銷售熱線:400-880-1981


    常用光纜快速導航: 4芯光纜價格 、6芯光纜價格 、8芯光纜價格 、12芯光纜價格 、18芯光纜價格 、24芯光纜價格 、32芯光纜價格 、36芯光纜價格 、48芯光纜價格 、72芯光纜價格


    銷售熱線
    ------分隔線----------------------------
    收縮
  • <tt id="kkkk8"><rt id="kkkk8"></rt></tt>
    <li id="kkkk8"></li>
    <li id="kkkk8"><table id="kkkk8"></table></li>
  • <li id="kkkk8"><table id="kkkk8"></table></li>
  • <tt id="kkkk8"></tt>
  • <li id="kkkk8"></li>
  • 性一交一伦一a级 双峰县| 定远县| 泰安市| 贡觉县| 澎湖县| 广灵县| 榆社县| 盐津县| 林芝县| 永丰县| 洪湖市| 通山县| 开鲁县| 侯马市| 黔南| 泉州市| 紫阳县| 犍为县| 平度市| 宣威市| 高州市| 阜康市| 贵州省| 中牟县| 尼玛县| 日照市| 南充市| 保亭| 土默特右旗| 博罗县| 崇礼县| 大邑县| 白城市| 新竹县| 泸水县| 石嘴山市| 成武县| 伊金霍洛旗| 宜黄县| 万安县| 上犹县| http://444 http://444 http://444